純正 Aston Martin パーツ

CHMSL

CHMSL

For Aston Martin GT DBS (2007-2012)

部品番号: SY9Y-13N408-AC

価格はお問い合わせください

今すぐ問い合わせる

可用性と配送

  • この車の部品は: 空き状況によります
  • 部品の状態: 新しい
  • 今すぐお問い合わせください。1 営業日以内にご連絡いたします。

支払いオプション:
Payment Options Icons

CHMSL

この自動車部品は以下のモデルに適しています:
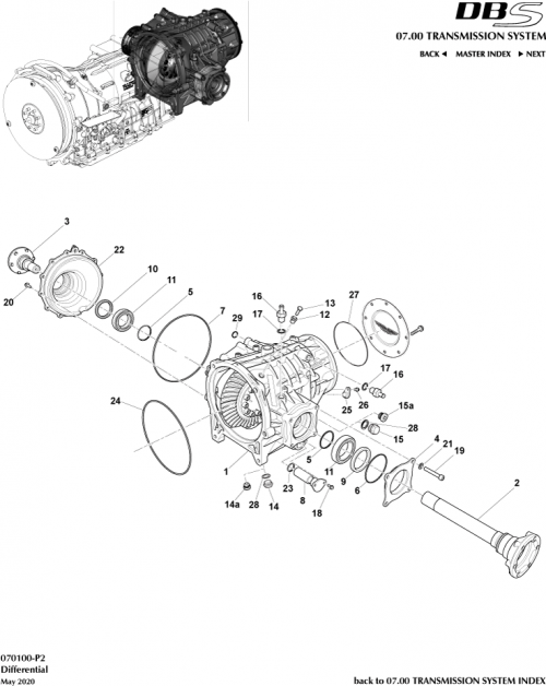
GT DBS (2007-2012)

見る 適合詳細 詳細については.
モデル サブカテゴリ
GT DBS (2007-2012) ディファレンシャル

当社についてのお客様の声