純正 Aston Martin パーツ
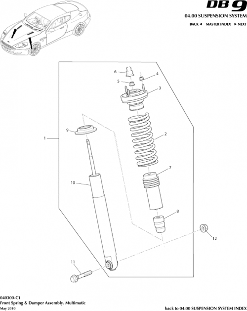
SHLD-SHK ABS
SHLD-SHK ABS
For Aston Martin GT DB9 (2004-2017)
部品番号: 4G43-18A047-AA
この部分は置き換えられました
Aston Martin 4G43-23-11266 の詳細を表示 »
The Aston Martin part 4G43-18A047-AA has been superceded with part 4G43-23-11266.
これは、パーツ 4G43-18A047-AA が運用されなくなり、パーツ 4G43-23-11266 を持つ Aston Martin に置き換えられたことを意味します。メーカーは部品を改良するために設計変更を行うときにこれを定期的に行います。パーツ 4G43-23-11266 はパーツ 4G43-18A047-AA と同じ機能を実行し、すべての車に正確に適合します。この部品の引き継ぎについてご質問がある場合は、お問い合わせください。
