純正 Aston Martin パーツ

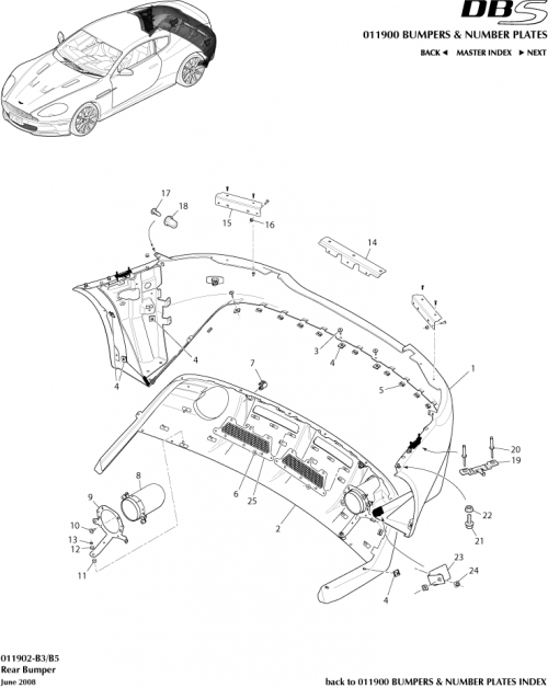
デフリアバンパー

DIFF REAR BUMPER

For Aston Martin GT DBS (2007-2012)

部品番号: 8D33-17E955-AE

価格はお問い合わせください

今すぐ問い合わせる

可用性と配送

  • この車の部品は: 空き状況によります
  • 部品の状態: 新しい
  • 今すぐお問い合わせください。1 営業日以内にご連絡いたします。

支払いオプション:
Payment Options Icons

DIFF REAR BUMPER

この自動車部品は以下のモデルに適しています:
GT DBS (2007-2012)

見る 適合詳細 詳細については.
モデル サブカテゴリ
GT DBS (2007-2012) Bumpers and Number Plates - Rear Bumper

当社についてのお客様の声