純正 Aston Martin パーツ

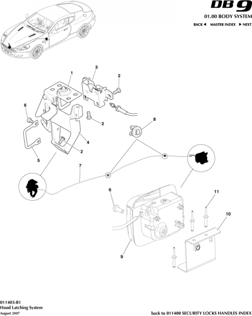
ケーブルASSY ボンネットLATC

CABLE ASSY HOOD LATC

For Aston Martin GT DB9 (2004-2017)

部品番号: 4G43-16C656-AD

価格はお問い合わせください

今すぐ問い合わせる

可用性と配送

  • この車の部品は: 空き状況によります
  • 部品の状態: 新しい
  • 今すぐお問い合わせください。1 営業日以内にご連絡いたします。

支払いオプション:
Payment Options Icons

CABLE ASSY HOOD LATC

この自動車部品は以下のモデルに適しています:
GT DB9 (2004-2017)

見る 適合詳細 詳細については.
モデル サブカテゴリ
GT DB9 (2004-2017) Security Locks and Handles - Hood Latch System

当社についてのお客様の声