純正 Aston Martin パーツ

左サイド

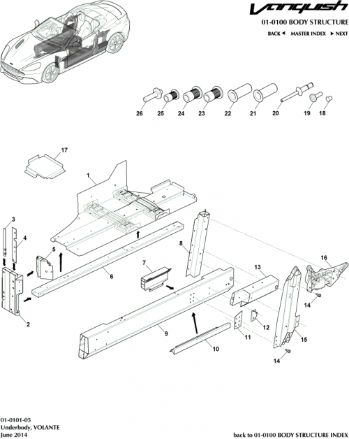
PLR CTR BODY LH

For Aston Martin GT VANQUISH (2013-2018)

部品番号: GD33-L24313-AA

価格はお問い合わせください

今すぐ問い合わせる

可用性と配送

  • この車の部品は: 空き状況によります
  • 部品の状態: 新しい
  • 今すぐお問い合わせください。1 営業日以内にご連絡いたします。

支払いオプション:
Payment Options Icons

PLR CTR BODY LH

この自動車部品は以下のモデルに適しています:
GT VANQUISH (2013-2018)

見る 適合詳細 詳細については.
モデル サブカテゴリ
GT VANQUISH (2013-2018) Body Structure - Underbody, Volante

当社についてのお客様の声